来源:壹芯微 发布日期
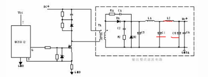
2026-04-17 浏览:-输出整流滤波电路
1、正激式整流电路:
T1为开关变压器,其初极和次极的相位同相。D1为整流二极管,D2为续流二极管,R1、C1、R2、C2为削尖峰电路。L1为续流电感,C4、L2、C5组成π型滤波器
2、反激式整流电路:
T1为开关变压器,其初极和次极的相位相反。D1为整流二极管,R1、C1为削尖峰电路。L1为续流电感,R2为假负载,C4、L2、C5组成π型滤波器。
工作原理:当变压器次级上端为正时,电流经C2、R5、R6、、R7使Q2导通,电路构成回路,Q2为整流管。Q1栅极由于处于反偏而截止。当变压器次级下端为正时,电流经C3、R4、R2使Q1导通,Q1为续流管。Q2栅极由于处于反偏而截止。L2为续流电感,C6、L1、C7组成π型滤波器。R1、C1、R9、C4为削尖峰电路。
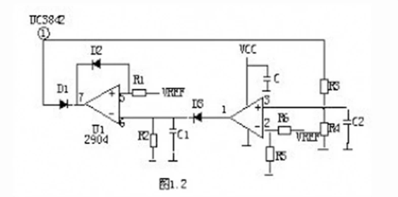
五、稳压环路原理:
1、反馈电路原理图:
当输出电路短路,输出电压消失,光耦OT1不导通,UC38421脚电压上升至5V左右,R1与R2的分压超过TL431基准,使之导通,UC38427脚VCC电位被拉低,IC停止工作。UC3842停止工作后1脚电位消失,TL431不导通UC38427脚电位上升,UC3842重新启动,周而复始。当短路现象消失后,电路可以自动恢复成正常工作状态。
3、下图是中功率短路保护电路,其原理简述如下:
当输出短路,UC38421脚电压上升,U13脚电位高于2脚时,比较器翻转1脚输出高电位,给C1充电,当C1两端电压超过5脚基准电压时U17脚输出低电位,UC38421脚低于1V,UCC3842停止工作,输出电压为0V,周而复始,当短路消失后电路正常工作。R2、C1是充放电时间常数,阻值不对时短路保护不起作用。
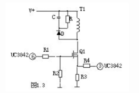
4、下图是常见的限流、短路保护电路。其工作原理简述如下
当输出电路短路或过流,变压器原边电流增大,R3两端电压降增大,3脚电压升高,UC38426脚输出占空比逐渐增大,3脚电压超过1V时,UC3842关闭无输出。
壹芯微科技专注于“二极管、三极管、MOS(场效应管)、桥堆”研发、生产与销售,23年行业经验,拥有先进全自动化双轨封装生产线、高速检测设备等,研发技术、芯片源自台湾,专业生产流程管理及工程团队,保障所生产每一批物料质量稳定和更长久的使用寿命,实现高度自动化生产,大幅降低人工成本,促进更好的性价比优势!选择壹芯微,还可为客户提供参数选型替代,送样测试,技术支持,售后服务等,如需了解更多详情或最新报价,欢迎咨询官网在线客服!
手机号/微信:13534146615
QQ:2881579535
工厂地址:安徽省六安市金寨产业园区
深圳办事处地址:深圳市福田区宝华大厦A1428
中山办事处地址:中山市古镇长安灯饰配件城C栋11卡
杭州办事处:杭州市西湖区文三西路118号杭州电子商务大厦6层B座
电话:13534146615
企业QQ:2881579535

深圳市壹芯微科技有限公司 版权所有 | 备案号:粤ICP备2020121154号