来源:壹芯微 发布日期
2020-07-28 浏览:-为什么小电容通高频-大电容通低频
首先我们来了解下电容的工作原理!

电容器是两个极板上积累的电荷,一个积累正电荷,一个积累负电荷而形成电位差...类似于一个电池!你可以这么理解,只不过电容的电是一次性的,放完了就没了..电池则有不断的化学反应
其实电容两个极板是不能通过电流的.如果高电位电子跃迁到低电位电极上,那么这个电容就击穿了.烧毁没用了.
因此在直流电路中,电容就是一个断路器,正极积满正电荷,负极积满负电荷,就这样...在交流电中,电流也没有真正通过电容,而是因为交流电源不断地更换方向,因此电流在极板和电源之间流动,电容的电动势和电源的电动势频繁交换..产生了电流.但绝对没有从电容内部通过..

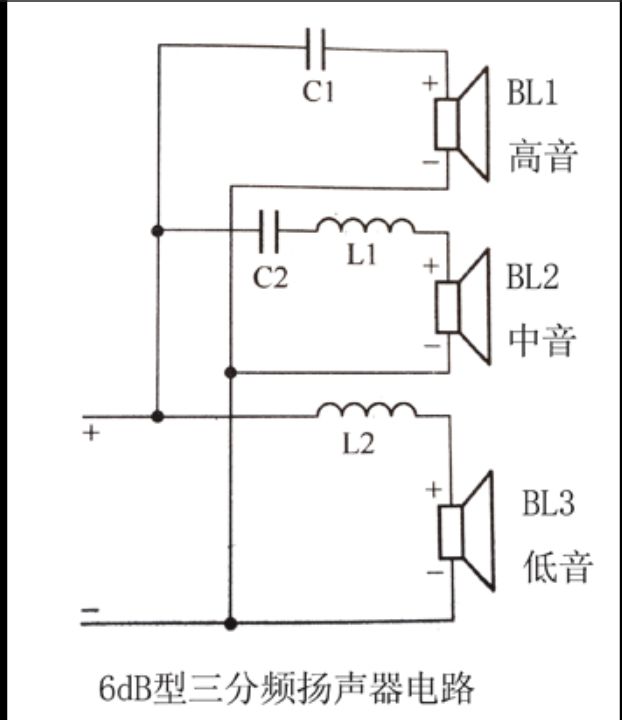
如图,这是个典型的高频电路,扬声器的频率比工频高的不要太多,电源上的高低电位不断交换,电容上的高低电位也不断交换,电流在极板和电源之间流动...因此电流是建立起来了,但是并没有穿过空气...
电容隔直通交的特性,就是这样来的...
对于隔直通交这句话,我们可以翻译一下...在电容容抗(容值高容抗低,容值低容抗高)固定的前提下,变化越大的电流越容易通过,也就是频率越高,越容易通过电容...同样的容抗,对高频电的阻碍作用小一些..
所以高频电我们只需要用小电容就可以了..不是说不能用大电容,而是浪费....没这个必要,你想想高频电变化这么快,你电容大了,还没充满就换了个方向,这对电容不是一种浪费吗?我们不如取一个容量小的电容,在高频的情况下,那么极为短暂的一瞬间就充个七七八八,然后再换向放电..
那么低频为什么不用小电容呢,第一,小电容容抗大,能通过的电流小...低频本身又导致容抗大..这样电流就更小了...第二,低频电装电容大多是为了稳压滤波,需要大容量的电容存够足够的电量来作为缓冲池...当电源或者负载功率急剧变化时,缓冲池可以起到稳定电压的作用...这个容量就必须大,越大越好...
壹芯微科技针对二三极管,MOS管作出了良好的性能测试,应用各大领域,如果您有遇到什么需要帮助解决的,可以点击右边的工程师,或者点击销售经理给您精准的报价以及产品介绍
工厂地址:安徽省六安市金寨产业园区
深圳办事处地址:深圳市福田区宝华大厦A1428
中山办事处地址:中山市古镇长安灯饰配件城C栋11卡
杭州办事处:杭州市西湖区文三西路118号杭州电子商务大厦6层B座
电话:13534146615
企业QQ:2881579535

深圳市壹芯微科技有限公司 版权所有 | 备案号:粤ICP备2020121154号