来源:壹芯微 发布日期
2019-10-19 浏览:-如何理解三极管的放大区-饱和区-截止区
模拟电路非常重要,模拟电路的三极管的应用是重中之重,能正确理解三极管的放大区、饱和区、截止区是理解三极管的标志。
很多初学者都会认为三极管是两个 PN 结的简单凑合,如下图:

这种想法是错误的,两个二极管的组合不能形成一个三极管,我们以 NPN 型三极管为例,如下图:

两个 PN 结共用了一个 P 区(也称基区),基区做得极薄,只有几微米到几十微米,正是靠着它把两个 PN 结有机地结合成一个不可分割的整体,它们之间存在着相互联系和相互影响,使三极管完全不同于两个单独的 PN 结的特性。三极管在外加电压的作用下,形成基极电流、集电极电流和发射极电流,成为电流放大器件。
三极管的电流放大作用与其物理结构有关,三极管内部进行的物理过程是十分复杂的,初学者暂时不必去深入探讨。从应用的角度来讲,可以把三极管看作是一个电流分配器。一个三极管制成后,它的三个电流之间的比例关系就大体上确定了,如下图所示:

β 和 α 称为三极管的电流分配系数,其中 β 值大家比较熟悉,都管它叫电流放大系数。三个电流中,有一个电流发生变化,另外两个电流也会随着按比例地变化。例如,基极电流的变化量 ΔI b = 10 μA , β = 50 ,根据 ΔI c = βΔI b的关系式,集电极电流的变化量 ΔI c = 50×10 = 500μA ,实现了电流放大。
三极管自身并不能把小电流变成大电流,它仅仅起着一种控制作用,控制着电路里的电源,按确定的比例向三极管提供 I b 、 I c 和 I e 这三个电流。为了容易理解,我们还是用水流比喻电流,如下图所示:

这是粗、细两根水管,粗的管子内装有闸门,这个闸门是由细的管子中的水量控制着它的开启程度。如果细管子中没有水流,粗管子中的闸门就会关闭。注入细管子中的水量越大,闸门就开得越大,相应地流过粗管子的水就越多,这就体现出“以小控制大,以弱控制强”的道理。由图可见,细管子的水与粗管子的水在下端汇合在一根管子中。
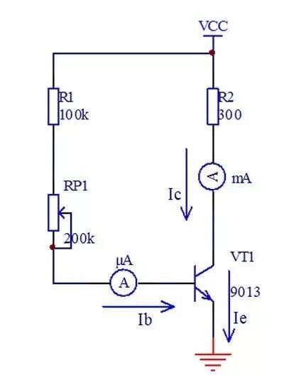
三极管的基极 b 、集电极 c 和发射极 e 就对应着图中的细管、粗管和粗细交汇的管子。如下图所示:

若给三极管外加一定的电压,就会产生电流 Ib 、 I c 和 I e 。调节电位器 RP 改变基极电流 I b , I c也随之变化。由于 I c = βI b ,所以很小的 I b 控制着比它大 β 倍的 I c。 I c 不是由三极管产生的,是由电源 V CC 在 I b 的控制下提供的,所以说三极管起着能量转换作用。
有了上面的知识,就容易理解教科书上说的:
发射极正偏集电极反偏,三极管处于放大状态;
发射极正偏集电极正偏工作在饱和区;
发射极反偏集电极反偏工作在截止区;
发射极反偏集电极正偏工作在反向放大状态。
先假设是在饱和区,在计算C E两端的电压,以0.3伏作为饱和区放大区的判断标准(小于则为饱和模式,大于则为放大模式);当c e间电压为无穷大时即为截止区!
另一个说明:三极管的三种状态
三极管的三种状态也叫三个工作区域,即:截止区、放大区和饱和区。
(1)、截止区:三极管工作在截止状态,当发射结电压Ube小于0.6—0.7V的导通电压,发射结没有导通集电结处于反向偏置,没有放大作用。
(2)、放大区:三极管的发射极加正向电压,集电极加反向电压导通后,Ib控制Ic,Ic与Ib近似于线性关系,在基极加上一个小信号电流,引起集电极大的信号电流输出。
(3)、饱和区:当三极管的集电结电流IC增大到一定程度时,再增大Ib,Ic也不会增大,超出了放大区,进入了饱和区。饱和时,Ic最大,集电极和发射之间的内阻最小,电压Uce只有0.1V~0.3V,Uce<>
主要是根据两个pn结的偏置条件来决定:
发射结正偏,集电结反偏——放大状态;
发射结正偏,集电结也正偏——饱和状态;
发射结反偏,集电结也反偏——截止状态。
这些状态之间的转换,可以通过输入电压或者相应的输入电流来控制,例如:在放大状态时,随着输入电流的增大,当输出电流在负载电阻上的压降等于电源电压时,则电源电压就完全降落在负载电阻上,于是集电结就变成为0偏压,并进而变为正偏压——即由放大状态转变为饱和状态。当输入电压反偏时,则发射结和集电结都成为了反偏,没有电流通过,即为截止状态。
正偏与反偏的区别:对于NPN晶体管,当发射极接电源正极、基极接负极时,则发射结是正偏,反之为反偏;当集电极接电源负极、基极(或发射极)接正极时,则集电结反偏,反之为正偏。总之,当p型半导体一边接正极、n型半导体一边接负极时,则为正偏,反之为反偏。
壹芯微科技针对二三极管,MOS管作出了良好的性能测试,应用各大领域,如果您有遇到什么需要帮助解决的,可以点击右边的工程师,或者点击销售经理给您精准的报价以及产品介绍
工厂地址:安徽省六安市金寨产业园区
深圳办事处地址:深圳市福田区宝华大厦A1428
中山办事处地址:中山市古镇长安灯饰配件城C栋11卡
杭州办事处:杭州市西湖区文三西路118号杭州电子商务大厦6层B座
电话:13534146615
企业QQ:2881579535

深圳市壹芯微科技有限公司 版权所有 | 备案号:粤ICP备2020121154号