来源:壹芯微 发布日期
2020-07-31 浏览:-开关电容电路简析
首先我们看第一种情况:一个恒压源Vo给电容C充电

可以看到电压源损失的能量是CVo^2, 而电容C上获得的能量是0.5CVo^2,那么一半的能量在充电过程中损失了。如果我们假设开关是理想的,Ron=0,那么loss是那里产生的呢?有答案认为是电磁辐射发散出去的。我们知道,如果开关是理想的,在接通开关的一瞬间,开关上流过的电流是无穷大的,一个无穷大的电流流过Ron=0的开关,产生的loss其实是一个取极限的结果:
。不管怎样,我们知道了一个恒压源Vo给电容C充电要有0.5CVo^2的loss.
第二种情况:一个电压为Vo的巨大电容Cbig给一个电压为V1的电容C充电(Vo>V1),使小电容电压到Vo,我们仍然假设开关是理想的,Ron=0.

可以看到Cbig电容损失的能量是CVo(Vo-V1), 而C电容上获得的能量是0.5C(Vo^2-V1^2),充电过程中损失的loss是0.5*C(V0-V1)^2,所以,我们可以看到电压不同的电容之间充电也会有loss的。
那么有些不死心的朋友要问了:有没有情况下给电容充电是无损(lossless)的呢?答案是有的,我们来看第三种情况:一个电流源I给电容充电,把电容的电压从V1提升到V0.

可以看到电流源I损失的能量等于电容上得到的能量等于0.5C(Vo^2-V1^2),充电过程是无损的!
以上就是开关电容电路(switched capacitor converter)的loss雏形,那么我们为什么要费尽心思搞这个有loss的switched capacitor converter呢?这是因为在实际生活中,好电容易得,但好电感难求!尤其是在集成电路(integrated circuit)领域,magnetics(比如电感、变压器)是很难集成到芯片里面的,如果我们只用电容和transistor搭建一个converter,功率密度(power density)会极大提高!1k-2k W/inch³ 的converter也是有可能做出来的!
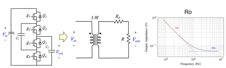
举一个例子,我们来看一个最经典结构: 2-1 ladder switched capacitor converter。其中gate signal:Q1与Q3同时开启与关闭,Q2与Q4同时开启与关闭。g1与g2,g3与g3是half bridge,也就是两对complementary开关的管子。Marek和Dragan在1995年一篇TPE [1] 上提出任何switched capacitor converter都可以建模成一个DC变压器和一个输出电阻Ro,DC变压器的变压比M代表了converter的conversion ratio,输出电阻Ro代表了Converter的Loss。这里存在一个所谓的“Fast Switching Limit”和“Slow Switching Limit”问题了。这是什么意思呢?就是说SC converter在不同频率下代表Loss的Ro是不同的!那么如何求出M和RFSL(Fast Switching Limit Rout)和RSSL(slow Switching Limit Rout)成了我们关心的问题。

Mike.Seeman大神在他MS thesis [2] 里面详细阐述了这个问题,他用的是charge flow analysis,意思就是求出每个情况下通过各个elements的charge,然后进行M和loss Ro的计算。具体细节我就不赘述了,我自己瞎逼推导了一下,大家随便看看。
Conversion Ratio M:

Slow Switching Limit:

Fast Switching Limit:

最终,我们把Switched Capacitor Converter进行了简单的建模:


值得注意的是,Loss Ro的计算只考虑的conduction loss,而且是用平均电流代替了RMS电流来计算loss,没有考虑switching loss和gating loss,所以这只是一个很粗糙的模型,只是让我们直观感受一下converter loss与开关频率frequency的关系。我们其实希望SC converter工作在FSL范围内,这样的loss比SSL内小,但是我们又不希望频率过高,这样会带来其他switching loss和gating loss的损失。
SC Converter的好处例如high power density,利于集成等优点说了很多,但是缺点也是不容忽视的:比如conversion ratio固定,不能regulate output voltage;transient current很大。那么我们有没有办法解决这个问题呢?答案是有的,解决的手段就是用hybrid/resonant switched capacitor converter(还记得在第三幅图中电流源I给电容充电是无损的那个例子吗?)。在topology方面,我们在SC converter的输出或输入端串联一个传统的buck或者boost converter,或者在tank里面引入resonant电感,来实现soft charge和regulation。在control方面我们可以有frequency and/or phase shift control。具体细节这里就不再赘述了。
PS. 比起前面花里胡哨的charge flow analysis来分析Loss,Sarah和Jason Stauth大神在COMPEL 2016上提出了switched capacitor和 Hybrid/Resonant Switched-Capacitor Converters的Ro的通式 Ro(fs) ,对 Ro(fs)取fs->0和fs->inf 两端极限就可以得到“Fast Switching Limit”和“Slow Switching Limit”的Ro了。可谓重剑无锋,大巧不工,这篇文章获得了2016 COMPEL最佳文章之一。


壹芯微科技针对二三极管,MOS管作出了良好的性能测试,应用各大领域,如果您有遇到什么需要帮助解决的,可以点击右边的工程师,或者点击销售经理给您精准的报价以及产品介绍
工厂地址:安徽省六安市金寨产业园区
深圳办事处地址:深圳市福田区宝华大厦A1428
中山办事处地址:中山市古镇长安灯饰配件城C栋11卡
杭州办事处:杭州市西湖区文三西路118号杭州电子商务大厦6层B座
电话:13534146615
企业QQ:2881579535

深圳市壹芯微科技有限公司 版权所有 | 备案号:粤ICP备2020121154号