来源:壹芯微 发布日期
2019-11-01 浏览:-晶体管触摸开关电路集
触摸开关是利用人手触碰开关面板上的金属片来完成开关动作,其工作原理大体可分为三种:利用人体导电的体电阻、利用人体感应的杂波信号、利用人体对地的泄漏电流等去触发电路工作。

图1是利用人体导电的体电阻来触发电路工作的触摸音响开关。VT1、VT2构成电子开关,VT3与变压器T的初级绕组构成典型的电感三点式音频振荡器。M是一组触摸电极片,当人手未触碰M时,电阻R1上端被悬空,VT1处于截止状态,VT2导通,VT3基极被VT2对地短接,所以振荡器停振不工作。当人手触碰电极片M时,由于人体电阻的接入使M上下两金属片接通(因间隙很小,人体电阻为几十至几百千欧),VT1获得基流导通,VT2截止,其集电极输出高电平,即触摸开关开通,VT3构成的振荡器起振,扬声器B就发出响亮的“嘟—”音频叫声。人手离开电极片M,VT1立即由导通态转为截止态,电路回复到起始状态,即触摸开关关闭,B发声停止。 本电路只有在人手按住电极片M时,电路才工作。故它适宜于儿童游艺玩具,如蒙着眼睛摸画像人的鼻子等游戏,可将电极片粘贴在画像人的鼻子上,当摸中了电路就会发声。本电路所有元器件无特殊要求,T可用小型晶体管收音机里的输出变压器,M可用罐头马口铁皮剪成圆片状,直径视游戏难度而定,直径愈大就愈容易摸到,然后沿圆片直径剪开成两片,将其粘贴在塑料等绝缘板上,两片电极相距愈近愈好,但不能相碰,绝缘板事先应开孔以便从电极片背后引出导线至电路板。

图2利用人体感应的杂波信号来触发电路工作的延迟型触摸开关。VT1~VT3组成达林顿管用来放大人体感应的杂波信号,VT4、VT5组成简单的互补型低频振荡器。延迟电路主要由R1、R2与C1阻容元件构成。平时,因VT1基极悬空,达林顿管VT1~VT3均处于截止态,VT4因得不到所需的基极偏流,故振荡器停振,B无声。当人手触碰电极片M时,人体感应的杂波信号(主要是50Hz工频交流信号及无线电磁波信号等)由M送至VT1的基极,信号的正半周作为VT1的基极偏流,使VT1进入放大态,虽然人体感应的杂波信号相当微弱,但达林顿管有着极高的放大倍数,它为3个管子β值的乘积。所以能使VT3迅速进入导通态,其发射极输出高电平,一路经R2为振荡器VT4提供工作所需的基极偏流,使振荡器起振,B就发出报警声响;另一路则向电容C1充电,因充电时间常数很小,使C1很快就充至电源电压。人手离开M后,VT1~VT3立即恢复截止态,但C1储存电荷可通过R2继续向VT4发射结放电,使振荡器仍能维持工作,当C1电荷基本放完,扬声器B才停止发声,电路回复到原先的静止状态。电路延迟时间可通过调整C1或R1的数值来实现,一般不宜调动R2阻值,因R2的阻值大小不仅可改变延迟时间的长短,而且还会影响振荡器的发声频率。 本电路由于设置了延迟功能,所以可用作触摸报警器,M为需保护的金属物品如门锁等,一旦有人触碰,电路将自动报警。C1在放电过程中其两端电压会不断下降,因而能使报警声响发生变调,更符合报警声响的需要。

图3也是一个利用人体感应的杂波信号工作的触摸报警开关,该电路设计比较独特,它具有自锁功能,一旦人手触碰M后,扬声器B就会持续不断地发出报警声响,直至有关人员切断电源为止。电路也十分简单,但触发灵敏度极高。VT1、VT2构成触摸式模拟晶闸管电路,VT3、VT4为互补型低频振荡器。平时,模拟晶闸管关断,VT3、VT4停振,B无声。当人手触碰电极片M时,人体感应的杂波信号经R1注入VT2的基极,经放大后由集电极输出,反馈到VT1的基极,再经VT1放大,放大后信号由集电极输出又输入到VT2的基极,再进行放大……,周而复始,如此强烈正反馈使VT1、VT2迅速导通饱和,一旦进入导通态,电极片M就失去了控制作用,就好像单向晶闸管一旦导通,其门极就失去了控制作用,除非切断阳极电源。本电路也如此,只要人手一碰M,VT1、VT2就迅速导通,VT3、VT4起振报警,如要电路停止工作,只有切断电路工作电源。 本电路具有很高的触发灵敏度,可用作触摸报警器,实际使用时可在VT2的基极与发射极间并接一按键开关,作为解警开关,按下此开关因短接VT2的发射结,模拟晶闸管VT1、VT2可立即关断。VT1、VT2要求漏电流尽可能小些,否则电路关不死。此电路刚接通电源时,因冲击电流的影响会发声不止,此时只要按一下解警按钮,即可解除警报。

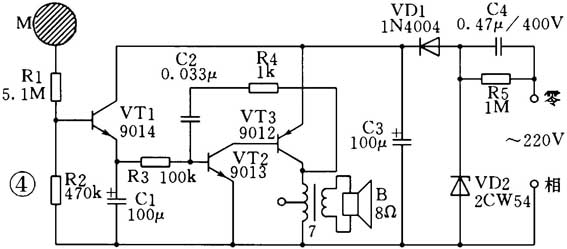
图4是一个利用人体泄漏电流组成的触摸报警开关,VD1、VD2、C4等组成电容降压半波整流稳压电路,输出约6V直流电压。VT2、VT3组成互补型低频振荡器,VT1为泄漏电流放大器。R1为安全隔离电阻。220V交流电的相线与零线必须按图所示连接,否则电路不能正常工作。当人手触摸M时,220V交流电经人体、M、R1、R2与大地构成回路,故人体泄漏电流经R1注入VT1的基极,使VT1迅速导通,互补振荡器工作,B发声报警。人手离开M后,VT1恢复截止,但C1储存电荷可继续维持振荡器工作,随着C1放电,报警声响还会产生变调效果。 采用人体泄漏电流组成的触摸开关必须要确保使用者的绝对安全,本电路R1为高阻值电阻器,流过人体的电流小于用试电笔测电的漏电流,所以是十分安全可靠的,为了进一步提高安全性,R1可用两只 2.7MΩ高阻值电阻串联代替。C4要求采用耐压400V以上的聚丙烯电容器。

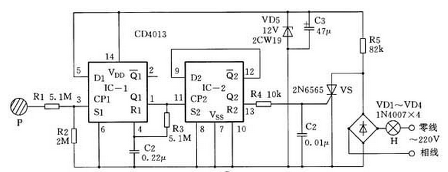
图5也是一个采用人体泄漏电流组成的触摸开关,其特点是它具有自锁功能,一旦触发电路将持续报警直至切断电源为止。图中HA为220V交流电铃,VD1~VD4构成桥式整流,输出直流电压经R1、R2分压,C1滤波为三极管VT供电。平时晶闸管VS处于关断态,电铃HA不响。当人手触摸M时,人体泄漏电流经R3注入VT基极,使VT迅速导通,C1储存的电荷就通过VT向C2泄放,使C2充电,因而使VS门极获得正向触发电压而开通,所以有交流电流经HA,使HA工作报警。当VS导通后,由于R4取值很小,因此有漏电流经晶闸管VS的阳极与门极通过R4向C2充电,使C2两端电压维持不变,所以人手离开M后,VS仍能保持开通状态,警铃声不息。只有按一下解警按钮SB,使电路失电,才能使电路复位。
集成电路触摸开关电路

壹芯微科技针对二三极管,MOS管作出了良好的性能测试,应用各大领域,如果您有遇到什么需要帮助解决的,可以点击右边的工程师,或者点击销售经理给您精准的报价以及产品介绍
工厂地址:安徽省六安市金寨产业园区
深圳办事处地址:深圳市福田区宝华大厦A1428
中山办事处地址:中山市古镇长安灯饰配件城C栋11卡
杭州办事处:杭州市西湖区文三西路118号杭州电子商务大厦6层B座
电话:13534146615
企业QQ:2881579535

深圳市壹芯微科技有限公司 版权所有 | 备案号:粤ICP备2020121154号