来源:壹芯微 发布日期
2021-08-02 浏览:-场效应MOS管H桥驱动电机电路解析 - 壹芯微
H桥驱动电机,正常都是驱动直流电机,小功率,电流范围不会很大。
要想电机能够转动并且可以调节方向,采用H桥是最为理想的电子换向驱动。
H桥基本驱动电路一般有如下图:

其中Q1与Q3为上桥臂,Q2与Q4为下桥臂。图中只有对角线的管子开通,电机才能够转动。比如:
Q1,Q4开通时,电机正转
Q2,Q3开通时,电机反转
Q1,Q3或者Q2,Q4开通时,电机处于制动停止状态。
图中,应尽量避免同一个桥臂的两个管子导通,比如Q1,Q2同时导通或者Q3,Q4同时导通,都会引起管子的烧毁。
图中,上桥臂Q1和Q3采用PNP型三极管,Q2和Q4采用NPN三极管,因为Q1和Q3是高端驱动,采用了PNP管子就避免带来驱动电路设计的麻烦。
如若采用三极管和MOS管的结合,那么只要把Q2和Q4替换成N沟通的MOS管就可以,因为N沟通的MOS管比较成熟,也比较常见,价格也合适。
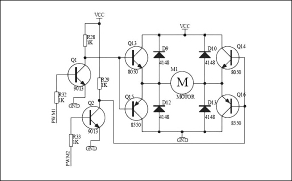
具体电路图如下:

采购优质国产二/三极管/MOS管选壹芯微(专注领域 专业品质),国内知名功率半导体生产商,专业进口生产设备,芯片与技术源自台湾,完美替代进口品牌,页面右侧联系销售一线或工程师为您提供参数,选型,样品申请,规格书与技术支持,欢迎咨询
工厂地址:安徽省六安市金寨产业园区
深圳办事处地址:深圳市福田区宝华大厦A1428
中山办事处地址:中山市古镇长安灯饰配件城C栋11卡
杭州办事处:杭州市西湖区文三西路118号杭州电子商务大厦6层B座
电话:13534146615
企业QQ:2881579535

深圳市壹芯微科技有限公司 版权所有 | 备案号:粤ICP备2020121154号