双向晶闸管交流调压电路解析
同学:老师,双向晶闸管看起来与单向晶闸管的外形差不多,也有三个电极(图 2 ),它的主要工作特性是什么呢?


教师:双向晶闸管相当于两个单向晶闸管的反向并联(图 3 ),但只有一个控制极。这样,双向晶闸管在正、反两个方向上都能够控制导电,而单向晶闸管却是一种可控的单方向导电器件。给双向晶闸管的控制极加正的或负的触发脉冲,都能使管子触发导通。这样,触发电路的设计就具有很大的灵活性,可以采用多种不同的触发方式。此外,双向晶闸管的两个主电极不再分为阳极和阴极,而是称为第一电极 T1 和第二电极 T2 。双向晶闸管在电路中不能用作可控整流元件,主要用来进行交流调压、交流开关、可逆直流调速等等。
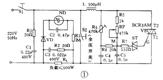
同学:双向晶闸管触发电路(图 1 )中,使用了双向触发二极管,我们过去没有听说过这种管子,这是一种什么样的器件呢?
老师:双向触发二极管(图 4 )从结构上来说,是一种没有控制极的晶闸管,我们可以把它看成是两个二极管的反向并联。这样,无论在双向触发二极管的两极之间外加什么极性的电压,只要电压的数值达到管子的转折电压值,就能使它导通。值得注意的是,双向触发二极管的转折电压较高,一般在 20 ~ 40V 范围。


同学:老师,您给我们讲讲双向触发二极管组成的双向晶闸管触发电路的工作原理吧。
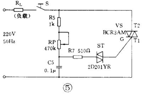
老师:调压器电路主要由阻容移相电路和双向晶闸管两部分组成。我们单独画出这两部分电路(图 5 ), R5 、 RP 和 C5 构成阻容移相电路。合上电源开关 S ,交流电源电压通过 R5 、 RP 向电容器 C5 充电,当电容器 C5 两端的电压上升到略高于双向触发二极管 ST 的转折电压时, ST 和双向晶闸管 VS 相继导通,负载 RL 得电工作。当交流电源电压过零瞬间,双向晶闸管自行关断,接着 C5 又被电源反向充电,重复上述过程。分析电路时,大家应该意识到,触发电路是工作在交流电路中的,交流电压的正、负半周分别会发出正、负触发脉冲送到双向晶闸管的控制极,使管子在正、负半周内对称地导通一次。改变 R P 的阻值,就改变了 C5 的充电速度,也就改变了双向晶闸管的导通角,相应地改变了负载 RL 上的交流电压,实现了交流调压。

肖特基二极管MBR2045CT参数
三极管S8050参数
整流二极管SS34参数
超快恢复二极管ES1JF参数